Podłączenie kolektora słonecznego do bojlera to kluczowy krok w wykorzystaniu energii słonecznej do podgrzewania wody. Proces ten wymaga zainstalowania kilku istotnych elementów oraz przestrzegania odpowiednich zasad, aby zapewnić efektywność i bezpieczeństwo całego systemu. W artykule przedstawimy, jak prawidłowo podłączyć solar do bojlera, unikając typowych błędów, które mogą prowadzić do problemów z działaniem instalacji.
W dalszej części omówimy wybór komponentów, krok po kroku przeprowadzimy przez proces instalacji kolektora na dachu oraz przedstawimy zasady dotyczące bezpiecznych połączeń hydraulicznych. Zrozumienie tych zagadnień pozwoli na efektywne wykorzystanie energii słonecznej, co przyniesie korzyści zarówno finansowe, jak i ekologiczne.
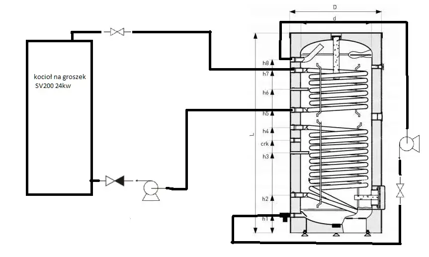
Najważniejsze informacje:- Podłączenie solaru do bojlera wymaga zastosowania bojlera z dwiema wężownicami.
- Kolektor słoneczny powinien być zainstalowany na dachu w odpowiedniej orientacji dla maksymalnego nasłonecznienia.
- W instalacji niezbędne są elementy takie jak pompa obiegowa, sterownik oraz naczynie wzbiorcze.
- Unikaj problemów z cofaniem się ciepłej wody, stosując zawory zwrotne.
- Konsultacja z ekspertem może pomóc w uniknięciu błędów oraz zapewnić prawidłowy montaż.
- Instalacja solarnego podgrzewania wody przynosi oszczędności na kosztach energii i ma pozytywny wpływ na środowisko.
Jak prawidłowo podłączyć solar do bojlera, aby uniknąć błędów
Podłączenie kolektora słonecznego do bojlera jest kluczowym procesem, który pozwala na wykorzystanie energii słonecznej do podgrzewania wody. Właściwa instalacja jest niezbędna, aby zapewnić efektywność systemu oraz uniknąć problemów związanych z jego działaniem. W tym artykule omówimy główne kroki, które należy podjąć, aby prawidłowo podłączyć solar do bojlera, a także zwrócimy uwagę na typowe błędy, których należy unikać.
Na początku ważne jest, aby starannie zaplanować instalację oraz ocenić miejsce, w którym zamierzamy zamontować kolektor. Właściwe umiejscowienie kolektora na dachu lub w innym dobrze nasłonecznionym miejscu jest kluczowe dla maksymalizacji wydajności systemu. W kolejnych sekcjach przedstawimy szczegółowe informacje dotyczące wyboru odpowiednich komponentów oraz kroków instalacyjnych, które pomogą w efektywnym podłączeniu solaru do bojlera.
Wybór odpowiednich komponentów do instalacji solarnej
Aby skutecznie podłączyć solar do bojlera, konieczne jest zastosowanie odpowiednich komponentów. Do najważniejszych z nich należy kolektor słoneczny, który zbiera energię słoneczną, a także bojler z dwiema wężownicami, który umożliwia jednoczesne podgrzewanie wody zarówno z energii słonecznej, jak i z innego źródła, na przykład kotła gazowego. W instalacji niezbędne będą również odpowiednie przewody, które powinny być wykonane z materiałów odpornych na wysokie temperatury.
- Kolektor słoneczny - na przykład model "SolarMax 2000", który charakteryzuje się wysoką wydajnością i trwałością.
- Bojler - rekomendowany model "ThermoSolar 300", który posiada dwie wężownice i jest dostosowany do pracy z systemami solarnymi.
- Przewody PEX - idealne do przesyłania ciepłej wody, zapewniające dobrą izolację termiczną.
| Komponent | Opis |
| Kolektor słoneczny | Model "SolarMax 2000" - wysoka wydajność, odporność na warunki atmosferyczne. |
| Bojler | Model "ThermoSolar 300" - dwie wężownice, dostosowany do systemów solarnych. |
Krok po kroku: Instalacja kolektora słonecznego na dachu
Instalacja kolektora słonecznego na dachu to kluczowy etap w procesie wykorzystania energii słonecznej. Na początku należy odpowiednio przygotować miejsce montażu. Wybór odpowiedniej lokalizacji jest kluczowy, aby zapewnić maksymalne nasłonecznienie. Upewnij się, że nie ma przeszkód, takich jak drzewa czy inne budynki, które mogą blokować dostęp promieni słonecznych. Zmierz kąt nachylenia dachu, ponieważ ma to wpływ na efektywność kolektora.
Po przygotowaniu miejsca można przystąpić do montażu. Instalacja kolektora wymaga zastosowania specjalnych uchwytów, które zapewnią stabilność i bezpieczeństwo. Upewnij się, że kolektor jest zamontowany pod odpowiednim kątem, zwykle od 30 do 45 stopni, aby maksymalizować jego wydajność. Warto również sprawdzić, czy wszystkie elementy są dobrze przymocowane, aby uniknąć uszkodzeń w wyniku silnych wiatrów.
Na koniec przeprowadź dokładne kontrole. Sprawdź, czy wszystkie połączenia są szczelne i czy kolektor jest prawidłowo ustawiony. Ostateczna inspekcja pozwala upewnić się, że instalacja jest gotowa do pracy. Pamiętaj, aby przed uruchomieniem systemu skonsultować się z ekspertem, który pomoże w ewentualnych poprawkach. Dzięki temu zyskasz pewność, że system będzie działał efektywnie.
Jak zainstalować pompę obiegową i sterownik systemu
Instalacja pompy obiegowej oraz sterownika systemu to kluczowy etap w konfiguracji systemu solarnego. Pompę obiegową należy umieścić w odpowiedniej lokalizacji, zazwyczaj w pobliżu bojlera, aby zapewnić efektywny przepływ czynnika grzewczego, takiego jak glikol. Podczas montażu upewnij się, że pompa jest zamocowana stabilnie, a wszystkie połączenia są szczelne. Pamiętaj, aby sprawdzić kierunek przepływu, który powinien być zgodny z oznaczeniami na pompie.
Po zainstalowaniu pompy, przystąp do podłączenia sterownika. Sterownik systemu kontroluje pracę pompy, dostosowując jej działanie do temperatury wody w kolektorze. Ustawienia sterownika powinny być dostosowane do specyfikacji systemu oraz wymagań użytkownika. Upewnij się, że wszystkie czujniki są prawidłowo umieszczone, aby zapewnić dokładne pomiary temperatury, co pozwoli na optymalizację pracy całego systemu.
Czytaj więcej: Jak wyczyścić bojler z rdzy i uniknąć kosztownych napraw
Znaczenie naczynia wzbiorczego w systemie solarnym
Naczynie wzbiorcze odgrywa kluczową rolę w systemie solarnym, ponieważ kompensuje zmiany objętości płynu w systemie. W miarę podgrzewania glikolu, jego objętość rośnie, co może prowadzić do nadmiernego wzrostu ciśnienia. Naczynie wzbiorcze działa jako bufor, zapobiegając uszkodzeniom systemu oraz utrzymując stabilne ciśnienie. Warto zainwestować w naczynie przystosowane do pracy z glikolem, co zapewni jego długotrwałą funkcjonalność i bezpieczeństwo działania całego systemu.
Jakie są najczęstsze błędy przy podłączaniu solaru do bojlera
Podczas podłączania solaru do bojlera można popełnić wiele błędów, które mogą wpłynąć na wydajność całego systemu. Jednym z najczęstszych problemów jest niewłaściwe umiejscowienie kolektora. Jeśli kolektor nie jest zamontowany w odpowiedniej lokalizacji, jego wydajność znacznie spadnie. Ważne jest, aby unikać cieniowania przez inne obiekty oraz zapewnić odpowiedni kąt nachylenia, co pozwoli na maksymalne wykorzystanie energii słonecznej. Ponadto, błędne podłączenie przewodów może prowadzić do strat ciepła i obniżenia efektywności systemu.
Kolejnym powszechnym błędem jest zaniechanie instalacji zaworu zwrotnego, co może skutkować cofaniem się ciepłej wody z bojlera do kolektora. Taka sytuacja prowadzi do strat energii oraz może uszkodzić system. Należy również pamiętać o niewłaściwej konfiguracji pompy obiegowej, co może skutkować niewystarczającym przepływem czynnika grzewczego. Aby uniknąć tych problemów, warto przeprowadzić dokładną inspekcję przed uruchomieniem systemu oraz skonsultować się z ekspertem.Jak uniknąć problemów z cofaniem się ciepłej wody
Zapobieganie cofaniu się ciepłej wody w systemie solarnym jest kluczowe dla jego efektywności. Zawór zwrotny to urządzenie, które powinno być zainstalowane w systemie, aby uniemożliwić powrót ciepłej wody z bojlera do kolektora. Jego działanie opiera się na blokowaniu przepływu wstecznego, co zapobiega stratom energii oraz problemom z ciśnieniem w systemie. Ważne jest, aby zawór był odpowiednio dobrany do specyfikacji systemu i regularnie sprawdzany, aby zapewnić jego prawidłowe funkcjonowanie. Dobrze zainstalowany zawór zwrotny znacząco zwiększa efektywność całego systemu solarnego.
Dlaczego warto skonsultować projekt z ekspertem
Konsultacja z ekspertem przy projektowaniu i instalacji systemu solarnego przynosi wiele korzyści. Po pierwsze, profesjonalista posiada doświadczenie i wiedzę, które pozwalają na optymalizację projektu pod kątem specyfiki budynku oraz lokalnych warunków atmosferycznych. Dzięki temu można uniknąć kosztownych błędów, które mogą wystąpić w przypadku samodzielnego montażu. Po drugie, ekspert pomoże w doborze odpowiednich komponentów, co zwiększy efektywność całego systemu.Co więcej, skorzystanie z usług specjalisty może prowadzić do oszczędności finansowych w dłuższej perspektywie. Dzięki prawidłowemu zaprojektowaniu systemu, można zredukować koszty eksploatacji oraz zwiększyć oszczędności na rachunkach za energię. Warto również pamiętać, że dobrze zaprojektowany system solarny może zwiększyć wartość nieruchomości, co jest dodatkowym atutem dla właścicieli domów.
Jakie korzyści niesie ze sobą instalacja solarnego podgrzewania wody
Instalacja solarnego podgrzewania wody przynosi szereg korzyści, zarówno finansowych, jak i ekologicznych. Po pierwsze, korzystając z energii słonecznej, można znacznie obniżyć rachunki za energię. Systemy solarne są w stanie pokryć znaczną część zapotrzebowania na ciepłą wodę, co przekłada się na mniejsze wydatki na energię elektryczną lub gaz. Dodatkowo, wiele krajów oferuje dotacje oraz ulgi podatkowe dla osób inwestujących w odnawialne źródła energii, co jeszcze bardziej zwiększa opłacalność tej inwestycji.
Po drugie, instalacja solarnego podgrzewania wody ma pozytywny wpływ na środowisko. Redukcja emisji CO2 oraz ograniczenie zużycia paliw kopalnych przyczyniają się do walki ze zmianami klimatycznymi. Korzystając z energii słonecznej, wspierasz zrównoważony rozwój i przyczyniasz się do ochrony naszej planety. W dłuższej perspektywie, inwestycja w systemy solarne może przyczynić się do stworzenia bardziej ekologicznej i zrównoważonej przyszłości dla kolejnych pokoleń.
| Korzyść | Opis |
| Oszczędności finansowe | Obniżenie rachunków za energię dzięki wykorzystaniu energii słonecznej. |
| Ekologiczne aspekty | Redukcja emisji CO2 i zmniejszenie zużycia paliw kopalnych. |
| Dotacje | Możliwość uzyskania dotacji i ulg podatkowych na instalację systemu solarnego. |
Jak optymalizować efektywność systemu solarnego w przyszłości
Aby maksymalnie wykorzystać potencjał systemu solarnego, warto zwrócić uwagę na nowoczesne technologie i innowacje w dziedzinie energii odnawialnej. Coraz więcej producentów oferuje inteligentne systemy zarządzania energią, które automatycznie dostosowują pracę kolektorów słonecznych do aktualnych warunków pogodowych oraz zapotrzebowania na ciepłą wodę. Dzięki zastosowaniu czujników temperatury oraz aplikacji mobilnych, użytkownicy mogą monitorować i optymalizować wydajność swojego systemu w czasie rzeczywistym, co prowadzi do jeszcze większych oszczędności.Dodatkowo, warto rozważyć integrację systemu solarnego z innymi źródłami energii odnawialnej, takimi jak wiatraki czy pompy ciepła. Taka kombinacja pozwala na stworzenie kompleksowego systemu energetycznego, który nie tylko zaspokaja potrzeby na ciepłą wodę, ale także wspiera ogrzewanie całego budynku. W obliczu rosnących kosztów energii oraz zmieniających się regulacji dotyczących ochrony środowiska, inwestycja w nowoczesne technologie solarne staje się nie tylko korzystna, ale wręcz niezbędna dla przyszłych pokoleń.




